Video về thanh ray etrack kiểu ngang
Thanh ray etrack kiểu ngang
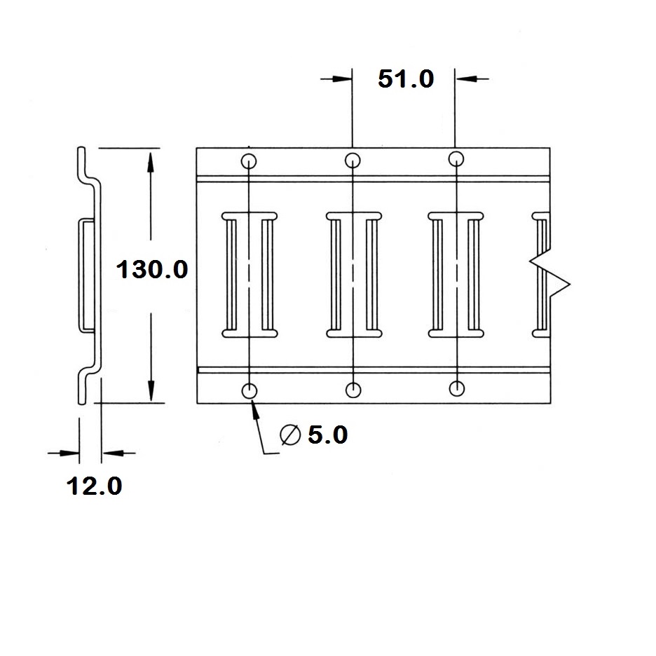
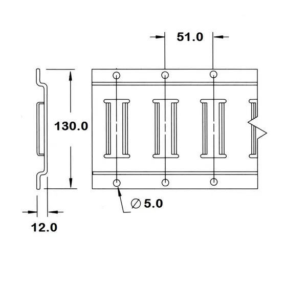
Thanh ray E-track kiểu ngang là loại thanh ray phổ biến nhất trong hệ thống E-track. Chúng được thiết kế để lắp đặt nằm ngang trên sàn xe tải, container hoặc các bề mặt phẳng khác. Thanh ray này tạo ra một hệ thống đường ray cố định, giúp bạn linh hoạt trong việc cố định hàng hóa bằng các phụ kiện như móc J, móc S, ring...
- Thanh ray để lắp đặt cho xe tải của bạn
- Lý tưởng để lắp trên sàn hàng hóa
- Cũng thường được sử dụng để lắp trên tường
- Đủ điều kiện để được miễn phí vận chuyển
- Để sử dụng với dây đai và phụ kiện E-track => hãy xem tất cả các sản phẩm liên quan đến E-track
- Lưu ý: Với các sản phẩm bằng kim loại nên việc có lỗi nhẹ về trầy xước, móp nhẹ, lớp sơn tĩnh điện màu đen có thể dễ bị hư hỏng hoặc bị ảnh hưởng trong lúc vận chuyển,..
Đặc điểm nổi bật:
- Lắp đặt: Được thiết kế để lắp đặt theo chiều dọc, tạo ra các điểm neo cố định ở các vị trí khác nhau trong không gian.
- Chức năng: Vẫn giữ nguyên chức năng chính là tạo ra các điểm neo để cố định hàng hóa bằng các phụ kiện như móc J, móc S, ring...
- Ứng dụng: Thường được sử dụng trong các trường hợp cần tận dụng tối đa không gian bên trong xe hoặc khi cần cố định các loại hàng hóa có kích thước lớn, cồng kềnh.
Ưu điểm:
- Linh hoạt: Cung cấp thêm nhiều điểm neo cố định, giúp bạn linh hoạt hơn trong việc sắp xếp và cố định hàng hóa.
- Tối ưu hóa không gian: Tận dụng tối đa không gian bên trong xe, đặc biệt là không gian phía trên.
- An toàn: Giúp cố định hàng hóa chắc chắn, tránh tình trạng hàng hóa bị xô lệch, rơi rớt trong quá trình vận chuyển.
Cấu tạo của Thanh ray etrack kiểu ngang
- Hình dạng: Có hình chữ E, tạo thành một rãnh chạy dọc theo chiều dài của thanh ray.
- Chất liệu: Thường làm bằng thép không gỉ hoặc thép mạ kẽm để đảm bảo độ bền và chống ăn mòn.
- Kích thước: Có nhiều kích thước khác nhau, thường được đo bằng inch. Kích thước phổ biến nhất là 2 inch.
Tại sao nên sử dụng thanh ray E-track?
- Linh hoạt: Bạn có thể dễ dàng thay đổi vị trí và cách thức cố định hàng hóa bằng cách sử dụng các loại phụ kiện khác nhau như móc J, móc S, ring...
- An toàn: Hàng hóa được cố định chắc chắn, giảm thiểu rủi ro hàng hóa bị xô lệch, rơi rớt trong quá trình vận chuyển.
- Hiệu quả: Tiết kiệm thời gian và công sức trong việc bốc xếp hàng hóa.
- Bền bỉ: Được làm bằng vật liệu chất lượng cao, có tuổi thọ sử dụng lâu dài.
- Tái sử dụng: Có thể tháo lắp và lắp đặt lại nhiều lần.
Ứng dụng của thanh ray E-track:
- Vận tải: Sử dụng rộng rãi trong các xe tải, container để cố định hàng hóa.
- Kho hàng: Dùng để sắp xếp và cố định hàng hóa trong kho.
- Xưởng sản xuất: Sử dụng để di chuyển và cố định các thiết bị, máy móc.
Lợi ích khi sử dụng thanh ray E-track so với các phương pháp cố định hàng hóa truyền thống:
- Linh hoạt hơn: Không bị giới hạn bởi vị trí các lỗ cố định sẵn trên xe.
- Dễ sử dụng: Chỉ cần một vài thao tác đơn giản là có thể cố định hàng hóa.
- Tái sử dụng: Có thể sử dụng lại nhiều lần cho các loại hàng hóa khác nhau.
Tóm lại, thanh ray E-track là một giải pháp hiệu quả và an toàn để cố định hàng hóa trong quá trình vận chuyển. Với nhiều ưu điểm vượt trội, hệ thống này đang ngày càng được sử dụng rộng rãi trong các lĩnh vực khác nhau.
Các loại phụ kiện đi kèm với thanh ray E-track:
Công ty JUMPO CARGO Chuyên sản xuất ray e-track và các phụ kiện liên quan
Ưu Điểm của Thanh Ray E-Track Kiểu Ngang
1. Cố Định Hàng Hóa Linh Hoạt & Hiệu Quả
- Giữ hàng hóa không bị dịch chuyển, đổ ngã trong quá trình vận chuyển.
- Phù hợp cho pallet, thùng carton, máy móc, thiết bị cồng kềnh.
2. Độ Bền Cao, Chống Gỉ Sét Tốt
- Sơn tĩnh điện giúp tăng tuổi thọ, chống ăn mòn, phù hợp với môi trường ẩm ướt hoặc thời tiết khắc nghiệt.
- Có khả năng chịu lực cao, dùng được lâu dài.
3. Dễ Lắp Đặt & Tương Thích Với Nhiều Phụ Kiện
- Có thể gắn trên tường, sàn hoặc trần của container hoặc xe tải.
- Kết hợp với nhiều phụ kiện như dây đai ràng hàng, thanh chắn hàng, móc treo.
4. Tiết Kiệm Không Gian & Tăng Hiệu Quả Chất Hàng
- Giúp sắp xếp hàng hóa gọn gàng, tối ưu diện tích chứa hàng.
- Có thể lắp nhiều thanh ray ở các độ cao khác nhau để cố định hàng theo từng tầng.
5. An Toàn Khi Vận Chuyển
- Giảm nguy cơ hàng hóa bị xô đổ, hư hỏng, giúp bảo vệ tài sản và người lao động.
- Đặc biệt hữu ích cho vận chuyển đường dài, xe tải, container đường biển.
Khi Nào Nên Dùng E-Track Ray?
✅ NÊN DÙNG nếu:
✔️ Bạn muốn một giải pháp cố định hàng hóa chắc chắn, chuyên nghiệp và linh hoạt.
✔️ Vận chuyển pallet, thùng carton, máy móc, thiết bị cồng kềnh cần ràng buộc chặt.
✔️ Cần hệ thống tái sử dụng lâu dài thay vì các phương pháp cố định tạm thời.
❌ KHÔNG PHÙ HỢP nếu:
✖️ Container hoặc xe tải của bạn không thể khoan để bắt vít.
✖️ Bạn chỉ cần giải pháp cố định tạm thời, không cần đầu tư lâu dài.
👉 Giải pháp tối ưu: Dùng E-Track Ray kết hợp với dây đai ràng hàng hoặc thanh chắn hàng để đảm bảo cố định hàng hóa tốt nhất! 🚛
Bạn đang muốn dùng E-Track Ray cho loại hàng nào? Tôi có thể tư vấn cách lắp đặt phù hợp!
Một số kiểu ray khác bạn có thể tham khảo thêm
Liên hệ ngay: 0907 133 819 - 0938 221 426 để nhận báo giá & hỗ trợ kỹ thuật miễn phí!
✉️ Email: jumpocargo@gmail.com
Website:https://jumpogroup.com/ - https://jumpocargo.vn/
VÌ SAO BẠN NÊN CHỌN JUMPOCARGO® ?
- ✅ Đúng chuẩn tải trọng, không pha trộn hàng kém chất lượng
- ✅ Nhận gia công theo yêu cầu riêng, in logo thương hiệu
- ✅ Giá tốt cho đại lý & đối tác B2B số lượng lớn, chiết khấu hấp dẫn khi mua sỉ hoặc đặt OEM
- ✅ Hàng sản xuất theo tiêu chuẩn châu Âu – kiểm định chất lượng đầy đủ
- ✅ Tồn kho sẵn hoặc gia công tại xưởng hardware JPRigging + JPWorkshop – đáp ứng nhanh cho mọi dự án, công trình
- ✅ Tư vấn kỹ thuật tận tâm, hỗ trợ chọn đúng phụ kiện cho bộ dây chằng hàng
>>> LIÊN HỆ ĐỂ ĐƯỢC TƯ VẤN VÀ BÁO GIÁ TỐT NHẤT <<<
Thông tin liên hệ:
CÔNG TY TNHH JUMPO CARGO
- Trụ sở chính: 78/35/20 Đường 51, Phường An Hội Tây, Thành Phố Hồ Chí Minh, Việt Nam
- Kho/ xưởng: 156/3 Đường ĐHT17, Phường Đông Hưng Thuận, Thành Phố Hồ Chí Minh
- Hotline & zalo 1: 0907133819
- Hotline & zalo 2: 0898246338
- Hotline & zalo 3: 0938221426
Liên hệ ngay để nhận báo giá & hỗ trợ kỹ thuật miễn phí!
Email: jumpocargo@gmail.com
Website:https://jumpogroup.com/ - https://jumpocargo.vn/






Xem thêm