Đầu Cảo Tăng Đơ Chằng Hàng Bản 50mm 5T Tay Cầm Tiêu Chuẩn – Giải Pháp Siết Chặt Hàng Hóa An Toàn
Trong quá trình vận chuyển và lưu trữ hàng hóa, việc đảm bảo các kiện hàng được siết chặt an toàn là điều tối quan trọng. Đầu cảo tăng đơ chằng hàng bản 50mm 5T tay cầm tiêu chuẩn là một trong những thiết bị chuyên dụng, không thể thiếu trong hệ thống dây đai chằng buộc, giúp giữ hàng hóa cố định, chống xê dịch hoặc đổ vỡ khi di chuyển.
🔍 Đầu Cảo Tăng Đơ Bản 50mm Là Gì?
Đầu cảo tăng đơ (hay còn gọi là ratchet buckle) là bộ phận dùng để siết chặt dây đai polyester khi chằng buộc hàng hóa. Sản phẩm có bản rộng 50mm, tương thích với dây đai bản 5cm và được thiết kế tay cầm tiêu chuẩn – dễ thao tác, sử dụng linh hoạt trong nhiều tình huống.
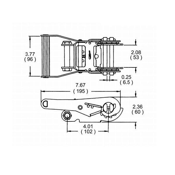
⚙️ Thông Số Kỹ Thuật Cơ Bản
-
Bản rộng: 50mm (5cm)
-
Tải trọng phá hủy (Breaking Strength): 5000kg (5 tấn)
-
Tải trọng làm việc (WLL): Khoảng 2500kg
-
Chất liệu: Thép mạ kẽm hoặc sơn tĩnh điện
-
Loại tay cầm: Tay tiêu chuẩn, dài vừa phải, chắc chắn
-
Cơ cấu: Có bánh răng, chốt khóa, lò xo đàn hồi
-
Phù hợp với: Dây đai, móc J, móc S, flat hook hoặc mắt mềm
✅ Ưu Điểm Nổi Bật
-
Độ bền cao: Chất liệu thép hợp kim chịu lực, chống gỉ tốt
-
Thiết kế chuẩn công nghiệp: Tay cầm tiêu chuẩn dễ sử dụng, tạo lực siết mạnh
-
An toàn và linh hoạt: Cơ cấu khóa chắc chắn, giúp hàng hóa không xê dịch
-
Tương thích cao: Dùng được với đa dạng loại móc và dây đai bản 50mm
-
Chi phí hợp lý: Tối ưu ngân sách cho doanh nghiệp vận tải
📦 Ứng Dụng Thực Tế
-
Chằng hàng trong xe tải, xe container, rơ moóc, kho bãi
-
Phục vụ ngành logistics, xây dựng, xuất khẩu hàng rời/hàng kiện
-
Dùng để thay thế hoặc lắp mới trong dây đai chằng hàng
-
Phù hợp siết cố định pallet, máy móc, thiết bị, vật tư công trình
📌 Hướng Dẫn Sử Dụng
-
Lắp đầu cảo vào dây đai bản 50mm
-
Luồn dây qua trục của đầu cảo
-
Kéo dây để tạo lực căng ban đầu
-
Gạt tay cầm nhiều lần để siết chặt dây
-
Khóa chốt lại khi đạt độ căng mong muốn
-
Khi tháo, kéo chốt an toàn để xả dây
🛠️ Bảo Quản & Lưu Ý
-
Không sử dụng vượt tải trọng cho phép
-
Tránh dùng trong môi trường có axit, kiềm mạnh
-
Kiểm tra thường xuyên phần trục, chốt và lò xo
-
Không sử dụng khi đã biến dạng, rỉ sét nặng
-
Bảo quản nơi khô ráo, tránh ánh nắng trực tiếp
🔎 Mua Đầu Cảo Tăng Đơ Chất Lượng Ở Đâu?
Tại JPR Việt Nam, chúng tôi cung cấp các loại đầu cảo tăng đơ chằng hàng bản 50mm 5T đạt chuẩn châu Âu EN12195-2, chất lượng kiểm định đầy đủ. Hàng luôn sẵn kho – giá ưu đãi, hỗ trợ giao hàng toàn quốc.
Liên hệ ngay: 0907 133 819 - 0938 221 426 để nhận báo giá & hỗ trợ kỹ thuật miễn phí!
✉️ Email: jumpocargo@gmail.com
Website:https://jumpogroup.com/ - https://jumpocargo.vn/
VÌ SAO BẠN NÊN CHỌN JUMPOCARGO® ?
- ✅ Đúng chuẩn tải trọng, không pha trộn hàng kém chất lượng
- ✅ Nhận gia công theo yêu cầu riêng, in logo thương hiệu
- ✅ Giá tốt cho đại lý & đối tác B2B số lượng lớn, chiết khấu hấp dẫn khi mua sỉ hoặc đặt OEM
- ✅ Hàng sản xuất theo tiêu chuẩn châu Âu – kiểm định chất lượng đầy đủ
- ✅ Tồn kho sẵn hoặc gia công tại xưởng hardware JPRigging + JPWorkshop – đáp ứng nhanh cho mọi dự án, công trình
- ✅ Tư vấn kỹ thuật tận tâm, hỗ trợ chọn đúng phụ kiện cho bộ dây chằng hàng
>>> LIÊN HỆ ĐỂ ĐƯỢC TƯ VẤN VÀ BÁO GIÁ TỐT NHẤT <<<
Thông tin liên hệ:
CÔNG TY TNHH JUMPO CARGO
- Trụ sở chính: 78/35/20 Đường 51, Phường An Hội Tây, Thành Phố Hồ Chí Minh, Việt Nam
- Kho/ xưởng: 156/3 Đường ĐHT17, Phường Đông Hưng Thuận, Thành Phố Hồ Chí Minh
- Hotline & zalo 1: 0907133819
- Hotline & zalo 2: 0898246338
- Hotline & zalo 3: 0938221426
Liên hệ ngay để nhận báo giá & hỗ trợ kỹ thuật miễn phí!
Email: jumpocargo@gmail.com
Website:https://jumpogroup.com/ - https://jumpocargo.vn/


Xem thêm